Blower BA8050H24B used for particle counter AMP45
Particle Counter: Gaining Insights into the Micro World, Safeguarding Clean Environments.
A particle counter is a precision instrument that utilizes physical principles to detect and count the number and size of suspended particulate matter in the air. It is an indispensable key device for clean environment monitoring, air quality management, and related scientific research. Its core working principle is "Light Scattering": when particles pass through a strong light beam (usually a laser), light scattering occurs. The intensity of the scattered light is proportional to the size of the particle. The instrument captures these scattered light signals, converts them into electrical pulses, and through algorithmic processing, can distinguish and count particles of different sizes.
I. Core Working Principle: Light Scattering Method
Mainstream particle counters currently use the light scattering method, which can be specifically divided into two types:
1. Forward Scattering: The detector is positioned at a small angle to the laser beam axis. This method offers a high signal-to-noise ratio, is the most mainstream and mature technology, and is suitable for most clean environment monitoring.
2. 90-Degree Scattering: The detector is positioned perpendicular to the laser beam axis. This method is more sensitive to the material and shape of particles, often used in scientific research or situations requiring particle type distinction.
The workflow is generally as follows:
Laser Light Source → Optical Sensing Chamber (particles pass through one by one) → Scattered Light Signal → Photomultiplier Tube / Photodiode (conversion to electrical signal) → Pulse Height Analysis / Circuit Processing → Particle Size Binning and Counting → Data Display and Output.
II. Main Product Features and Technical Parameters
When selecting a particle counter, the following key features and parameters need attention:
Channels / Size Channels: Refers to the number of particle size ranges the instrument can simultaneously distinguish and count. Common channels include 0.3μm, 0.5μm, 1.0μm, 5.0μm, often up to six channels. More channels allow for more detailed analysis of particle distribution.
Flow Rate: Refers to the sampling air velocity, measured in cubic feet per minute. 1 CFM (28.3 L/min) and 0.1 CFM (2.83 L/min) are the two most common. A larger flow rate provides better sampling statistics, but may increase instrument size and power consumption. Particle counters with 50 L/min and 100 L/min flow rates are also mainstream in the market.
Light Source: Laser diodes are standard; their lifespan and stability directly affect instrument performance.
Self-Cleaning Time / Zero Count: Refers to the instrument's ability to read zero counts in pure air, an important indicator for measuring instrument background noise and performance.
Counting Efficiency and Calibration: Compliance with relevant standards (e.g., ISO 21501-4, JIS B 9921) for counting efficiency curves, requiring regular calibration by qualified institutions.
Data Output and Software: Supports real-time data display, storage, export, and comes with powerful supporting software for data analysis and report generation.
Battery Life and Portability: For handheld devices, battery life and weight are key considerations.
Compliance: Whether it meets regulatory requirements such as GMP, ISO 14644-1.
III. Air Supply Principle and Monitoring Applications
The particle counter itself is a sampling and detection device, but its application is closely related to "air supply" systems (typically referring to laminar air supply in cleanrooms and biosafety cabinets).
Air Supply Principle:
Clean environments utilize High-Efficiency Particulate Air (HEPA) / Ultra-Low Penetration Air (ULPA) filters to continuously supply clean air into the room in laminar (unidirectional) or turbulent (non-unidirectional) flow. This dilutes and removes internally generated particulate contaminants, maintaining the required cleanliness class.
Role of the Particle Counter:
1. Efficiency Verification: After filter installation, used to test the cleanliness of the air supply outlet, verifying whether the filter is qualified and the installation is leak-free.
2. Dynamic Monitoring: Placed at critical process points during normal production/operation to continuously monitor whether the environment consistently meets standards.
3. Environment Certification: Conducting comprehensive airborne particle tests on cleanrooms according to standards like ISO 14644-1 to assess their cleanliness class.
IV. Industry Applications
The application fields of particle counters are extremely wide, primarily including:
1. Cleanrooms and Controlled Environments: Electronics & Semiconductors, Pharmaceutical Aseptic Manufacturing, Medical Devices, Hospital Operating Rooms, etc. This is the core application area for particle counters.

2. Diagnosis of HVAC system: Evaluate indoor air quality, test filter performance, and identify pollution sources.


3. Environmental monitoring and scientific research: research on air pollution, analysis of aerosol characteristics, comparison of indoor and outdoor air quality, etc.

4. Industrial manufacturing: industries such as automotive painting, precision machinery, food and beverage that require production environments.

5. Public Safety and Health: Used for detecting inhalable particulate matter and evaluating air quality in public places.
V. Major Domestic and International Brands, Models, and Price Ranges
The market can be broadly divided into high-end, mid-range, and entry-level/economy segments.
Foreign brands (leading technology, high prices):
Particle Measuring Systems, an industry leader with a comprehensive product line, is renowned for its high precision and reliability.
Model: Lasair III (air particle counter), BioTrak (real-time planktonic bacteria counter)
Price range: Handheld about $15000 to $30000, portable/desktop about $20000 to $50000.

Lighthouse: a globally renowned brand with stable products and high market share.
Model: Solair 3100 (handheld), Apex series (portable)
Price range: Handheld approximately $10000 to $25000, portable approximately $20000 to $40000

TSI in the United States has a distinguished reputation in the field of environmental testing instruments.
Model: 9306 series (handheld)
Price: Handheld approximately $10000 to $20000.
Beckman Coulter (USA) - "The Gold Standard and Global Leader in Liquid Particle Analysis"
In the field of liquid particle analysis, particularly for counting and sizing biological cells and blood cells, Beckman Coulter is the undisputed pioneer and long-standing leader. Its status is comparable to that of PMS in the field of airborne particle counters.
Beckman Coulter's core technology is the Coulter Principle, also known as the Electrical Impedance Method. This is fundamentally different from the light scattering method commonly used in airborne particle counters.
Working Principle: Particles to be measured are suspended in a conductive liquid. As each particle passes through a small aperture, it momentarily increases the electrical resistance across the aperture, generating a voltage pulse. The amplitude of this pulse is proportional to the volume of the particle.
Core Advantages:
1.Extremely High Precision: Capable of accurately measuring the true volume of particles, not just the optical equivalent diameter, yielding more accurate results.
2.Unmatched Resolution: Offers excellent resolution for sizing distributions of biological particles like cells, easily distinguishing particles differing in size by only a few percent.
3.Simultaneous Counting and Sizing: It is this patented technology that established Beckman Coulter's unshakable position in the field of liquid particle analysis.
Models: MET ONE 3400+
Price Range: High-end, approximately $10,000 - $20,000 USD.


Palas, Germany: Renowned for its high-quality aerosol generators and high-precision sensors.
Model: Fidas Frog (Handheld)
Price: High end, handheld costing over $20000.
Domestic brands (high cost-effectiveness, rapid technological progress):
Suzhou Sujing Group: a leading enterprise in domestic clean technology, with products covering the entire clean industry chain.
Model: BCJ series
Price: It has a significant price advantage, with handheld costing around 20000 to 60000 RMB and portable costing around 50000 to 150000 RMB.

Shanghai Hanjie: Focusing on environmental monitoring solutions.
Model: Handheld 3016 series
Price: Handheld approximately 30000 to 80000 RMB.
Shenzhen Senawei: specializes in the research and development of clean environment monitoring instruments.
Model: CW series
Price: Economical and affordable, handheld costing around 15000-40000 RMB.
Attention: The above prices are for rough reference only. Actual prices may vary greatly depending on specific configurations, number of channels, whether taxes are included, and after-sales service.
VI. Core Structure and Components of Optical Scattering Laser Particle Counters
The fundamental principle is as follows: when particles in an air stream pass through a beam of intense light (typically a laser), they scatter the light. The intensity of the scattered light has a specific functional relationship with the particle diameter. By detecting the intensity and quantity of this scattered light, the particle size and concentration can be determined.
Its internal structure can be seen as a precision "optical laboratory," primarily composed of the following seven major systems:
1. Air Path and Sampling System
Sampling Inlet/Intake: The entry point for the air being measured.
Air Pump: Located at the system's end, it is responsible for drawing air, causing the sample air to flow through the entire system at a stable velocity.
Flow Meter/Flow Sensor: Monitors and controls the sample gas flow rate in real-time to ensure a constant velocity, as this directly impacts counting accuracy.
Sheath Air System (found in some high-end models): Acts like a "protective sleeve," using a layer of pure "sheath air" to envelop the sample air in the center of the optical sensing area. This prevents particles from approaching the inner walls of the chamber and being missed, and also avoids contamination of optical components. This significantly improves counting accuracy for tiny particles.
2. Optical Sensing Cavity - The Core Component
This is a sealed, dark chamber where particles are "seen."
Laser Source: Typically a semiconductor laser diode that produces a stable, single-wavelength, intense light beam (e.g., red laser with a 680nm wavelength). Lasers are used because of their excellent directionality and concentrated energy, which produces strong scattering signals.
Focusing Lens Assembly: Focuses the laser beam into a very small, high-energy-density spot (the measurement zone). Particles must pass through this spot one by one to ensure only one particle is detected at a time.
Optical Trap/Beam Stop: Located at the end of the laser beam path, it absorbs the laser light that has passed through the measurement zone, preventing it from reflecting or scattering back into the zone and causing background interference.
3. Light Detection System
Photodetector: Typically a photodiode or photomultiplier tube. It is positioned at a specific angle relative to the laser beam (e.g., 90°) to collect the scattered light generated when a particle passes through the laser spot.
Workflow: Particle passes through the spot → Generates scattered light → Scattered light is collected by lenses and focused onto the photodetector → Photodetector converts the light signal into an electrical pulse signal.
4. Signal Processing System
Pulse Amplifier: Amplifies the weak electrical pulse signals generated by the photodetector.
Pulse Height Analyzer: This is key for "sorting" particles. The pulse amplitude (voltage) corresponds to particle size (larger particles produce stronger scattered light and higher voltage pulses); the number of pulses corresponds to the number of particles.
Circuit Board/Microprocessor: The built-in "brain." It classifies each pulse into corresponding size channels for counting based on preset channel thresholds (e.g., 0.3μm, 0.5μm, 5.0μm).
5. Data Processing and Display System
Microcontroller/CPU: Processes data from the signal system and calculates particle concentrations for each channel.
Display Screen: Real-time display of particle concentration, size distribution, temperature, humidity, and other data.
Memory: Stores measurement data and settings.
6. Power System
Provides stable power for all electronic components including the laser, pump, detector, and processor. This can be an internal battery or external power supply.
7. Housing and Interfaces
Housing: Protects internal precision components from physical damage, electromagnetic interference, and light interference.
Communication Interfaces: Such as USB, Ethernet, or Wi-Fi, used for exporting data to computers or networks.
Workflow Summary:
Pumping: The air pump operates, drawing air in through the sampling inlet.
Focusing: The airflow is guided so that particles pass one by one through the tiny laser spot.
Scattering: Particles cause the laser light to scatter.
Detection: The photodetector receives the scattered light at a specific angle and converts it into an electrical pulse.
Analysis: The signal processing circuit determines particle size based on pulse amplitude and counts based on the number of pulses.
Output: The microprocessor calculates concentrations and displays the results on the screen and/or stores them.
VII. Impact of Altitude Changes on Particle Counters
1. Decreased Atmospheric Pressure - The Primary Impact
Impact on the Air Pump (Volume Sampling vs. Mass Sampling):
Particle counters are typically calibrated for a volumetric flow rate (e.g., 28.3 L/min, 1 CFM). This means the pump draws a fixed volume of gas per minute, regardless of location.
However, what we truly care about is the number of particles in the air, which relates to mass concentration. As altitude increases, atmospheric pressure decreases, the air becomes thinner, and the number of air molecules (i.e., mass) per unit volume decreases.
Example: At sea level, 1 cubic meter of air contains X particles. At 3000 meters altitude, where pressure is about 70% of sea level pressure, the counter still draws 1 cubic meter of volume. But because the air is thinner, this 1 cubic meter contains only the particle count equivalent to 0.7 cubic meters of air at sea level. Thus, the counter will display a concentration that is 70% of the true concentration, representing a significant underestimation.
Impact on the Optical Sensor (Change in Scattered Light Intensity):
The efficiency of light scattering by a particle depends on the refractive index of the surrounding gas. The refractive index of air is proportional to its density.
Increased altitude leads to decreased air density, resulting in a lower refractive index of the air.
For particles smaller than 1 micron (especially below 0.5 microns), their scattering signal can be affected by interference from the background scattering by air molecules (Rayleigh scattering). A decrease in the background refractive index can cause minute changes in the scattered light signal generated by small particles, potentially affecting counting efficiency and size calibration accuracy.
2. Temperature Changes
Altitude is often associated with temperature drops (approximately 6.5°C per 1000 meters).
Temperature changes can affect:
Pump Efficiency: Lower temperatures may increase lubricant viscosity, slightly affecting pump speed.
Electronic Component Performance: Although modern instruments are very stable, extreme temperatures can still cause minor drift.
Gas Physical Properties: Temperature and pressure together determine air density.
3. Potential Mechanical Effects
Pump Load: In a low-pressure environment, the pump faces less backpressure and theoretically works "easier." However, some precisely designed pumps might have their operating point shifted away from peak efficiency due to the pressure differential change, which could also affect the actual flow rate.
Solutions and Countermeasures
To address the effects of altitude, modern high-quality particle counters employ one or more of the following measures:
Pressure Sensor and Automatic Compensation (The Most Critical Feature)
Direct Concentration Reading Correction: The instrument's processor automatically converts the volumetric flow rate to an equivalent mass flow rate at standard conditions based on the measured pressure, using the ideal gas law, and compensates the final displayed concentration value. This is the most advanced and user-friendly method.
Pump Speed Adjustment: Some instruments automatically increase the pump speed to ensure the number of air molecules (mass) drawn per minute remains the same as at sea level, thereby maintaining a constant mass flow rate.
Principle: The instrument integrates an internal atmospheric pressure sensor. When powered on at a specific altitude, the instrument measures the local atmospheric pressure in real-time.
Compensation Methods:
Manual Pressure Setting
Some particle counters allow users to manually input the local atmospheric pressure value (obtainable from weather stations or phone apps), and the instrument then corrects based on this value.
Pre-Use Calibration
The most fundamental solution: if taking a particle counter from one altitude to another for critical measurements, the most reliable approach is to send it to an accredited metrology institution for calibration of flow rate and concentration under the local atmospheric pressure conditions.
VIII. Key Power Component: The Air Pump/Aspirator
Particle counter manufacturers typically do not produce their own sampling pumps but source them from specialized pump manufacturers and integrate them into their systems. Therefore, knowing these pump brands is key to understanding the core reliability of the equipment.
These pumps must meet the following requirements:
Stable Flow Rate: Maintain a constant flow rate such as 28.3 L/min (1 CFM), 50 L/min, or 100 L/min, unaffected by filter loading.
Low Vibration: Avoid vibrations that could interfere with the precision optical sensors.
Long Life & Low Maintenance: Often required to run continuously for years.
Low Noise: Especially important for portable or handheld devices used in quiet cleanrooms.
Major International Brands (High-end/Professional Grade)
These brands are typically used in high-end particle counters where precision and reliability are paramount, such as those from PMS, Lighthouse, TSI, Met One, etc.
1.Germany - Gardner Denver (GD) / Thomas
Industry Status: The absolute market leader and the gold standard. Especially for larger flow rates (e.g., 50 L/min and above) and high-end portable particle counters, GD pumps are almost the default choice.
Product Characteristics: Renowned for their unparalleled durability, ultra-long service life, and extremely low maintenance requirements. They often use a bellows (diaphragm) design, providing very clean, oil-free sample air, and are relatively insensitive to load variations.
Application: Widely used in flagship products from brands like PMS, Met One, etc. They are a symbol of reliability and performance.

2. German KNF
Industry status: Another top European brand, a giant in the field of precision gas sampling pumps.
Product features: Provides a wide variety of diaphragm pumps. Known for its high quality, compact design, and excellent chemical compatibility. KNF's pumps perform excellently in terms of stability, low noise, and long lifespan.
Application: Commonly used in various scientific analysis instruments, medical equipment, and some particle counter brands.

3. Rietschle, Japan
Industry Status: Belonging to the Busch Group in Germany, it is one of the world's leading suppliers of vacuum pumps and compressors.
Product features: The product line is very extensive, covering from cost-effective to high-performance models. Its pump is known for its reliability and silent operation.
Application: Widely used in the industrial field and also adopted by many instrument manufacturers.

4. MOOG in the United States
In the field of servo drive, especially in its target application market, it is a benchmark product with high performance and high reliability.
Compact design&high power density: Advanced control performance: Excellent reliability and protection functions:
Main application areas: Semiconductor and Electronic Manufacturing: Automated Testing and Simulation: Aerospace: Medical Equipment, etc

Technical types and selection considerations
The pumps used in particle counters mainly have the following technical types:
Diaphragm pump:
Principle: By driving the diaphragm to reciprocate with a motor, the pump chamber volume is changed to suction and discharge gas.
Advantages: oil-free, clean, and stable flow rate. It is currently the most mainstream and ideal choice.
Representative brands: Gardner Denver, KNF, Rietschle, Jecen.

Piston pump:
Principle: Similar to a diaphragm pump, but driven by a piston.
Advantages: It can provide higher pressure in certain applications.
Disadvantages: There may be relatively high vibration and noise, which requires high machining accuracy.
Application: It is still used in some specific models.

Vortex fan/side channel fan:
Principle: Generate airflow by rotating the impeller.
Advantages: Simple structure, low cost, long lifespan.
Disadvantage: Flow is greatly affected by back pressure (resistance). When the filter of the particle counter gradually clogs with use, the back pressure increases, which can lead to a decrease in sampling flow rate and seriously affect counting accuracy.
Application: Mainly used for handheld particle counters. Because handheld devices are highly sensitive to volume, weight, and cost, and have a shorter single sampling time. Manufacturers typically use circuits and algorithms for flow compensation to mitigate the impact of their shortcomings.
The Significance of Particle Counter and Aspirator Pump Choice for Users:
When evaluating the long-term reliability and data accuracy of a particle counter, understanding the brand and type of its built-in pump is a crucial reference indicator.
However, these professional sampling pumps are expensive in their own right. A high-end Gardner Denver pump might have a procurement cost of several hundred or even over a thousand US dollars, whereas a common vortex fan or entry-level diaphragm pump might cost only tens of dollars. This significantly explains the price differences between particle counters of varying grades.
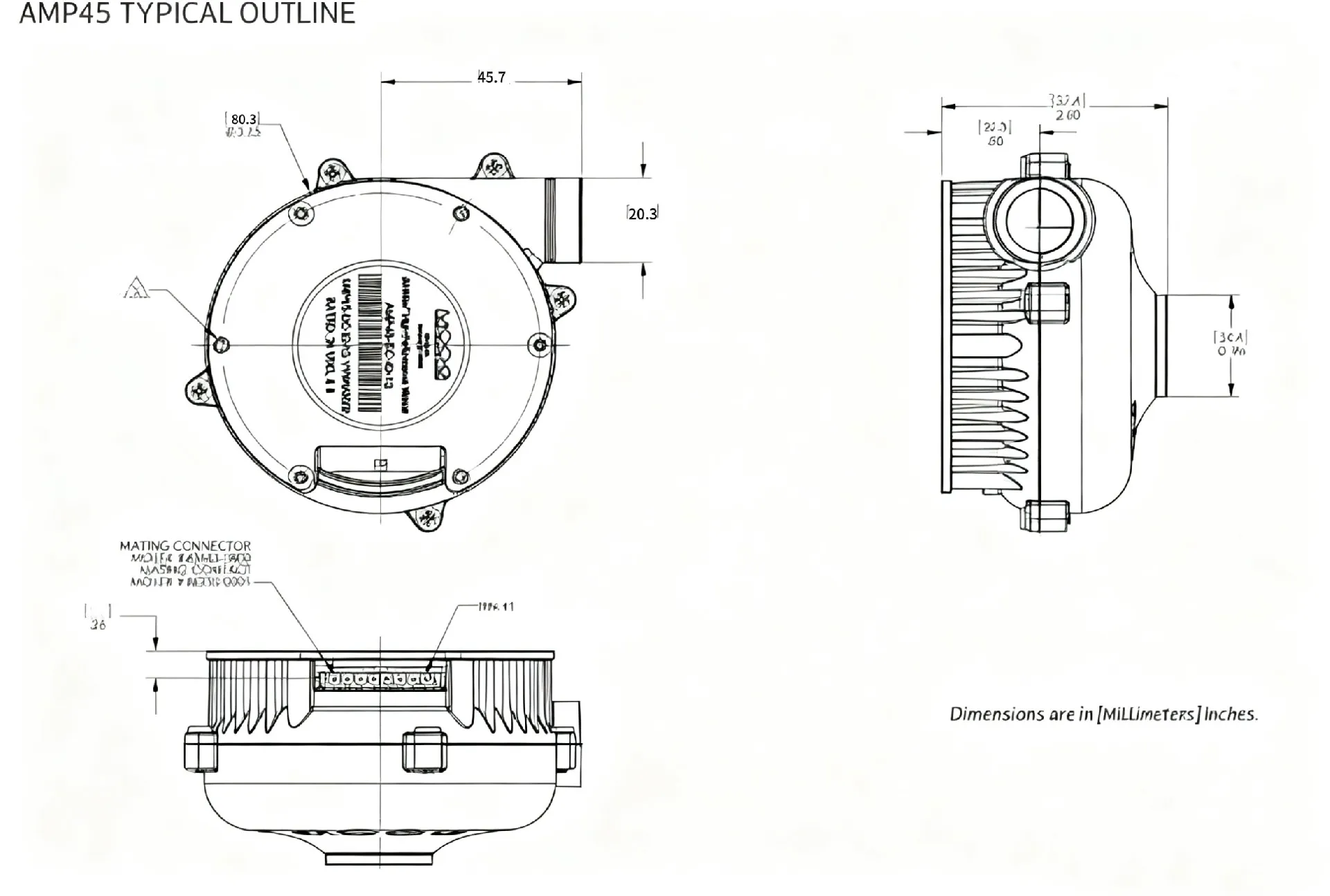
The MOOG AMP45 is a sampling pump widely used by numerous particle counter manufacturers. Its high performance and high reliability are consistently praised by manufacturers such as Beckman and Lighthouse. However, its core components (e.g., the rare earth permanent magnets in the permanent magnet synchronous motor, power electronics) heavily rely on rare earth materials (such as Neodymium, Dysprosium, etc.). China's rare earth export control policies directly impact the upstream raw material supply and production costs for pumps like the AMP45, leading to extended delivery times and price fluctuations.
The TKFAN BA8050 can serve as a replacement for the AMP45 as the motive power source in particle counters.
The BA8050 is a high-performance DC brushless motor. Its excellent and stable performance has led to its widespread adoption in automotive, industrial, and medical industries, making it one of the best-selling blowers of 2025. A product image is shown below:





Compared to the AMP45, the BA8050 offers the following advantages:
1.Greater Airflow: The BA8050 has a maximum power of 26-28 CFM, while the AMP45 is 25 CFM.
2.OEM/ODM Customization: TKFAN provides customization services based on customer requirements. It currently offers solutions for 28.3 L/min, 50 L/min, and 100 L/min, as well as sensored and sensorless options.
3.Faster Service and Response Times: TKFAN brings together top industry talent. Based on customer needs, it can deliver a proposal within 7-10 days, finalize the product in 1-2 months, and achieve mass production in 2-3 months. Furthermore, it can continuously optimize the product based on customer feedback within 3-7 days.
4.High Cost-Effectiveness: Available at half or even one-third of the price.
5.Easier Installation: Unlike the AMP45, which can only be secured with screws from the bottom, the BA8050 features three additional aluminum alloy screw holes around its perimeter for more convenient product installation.
Replacing the AMP45 with the BA8050 is not merely a simple component substitution; it represents a strategic upgrade from technological dependence to supply chain autonomy. In the face of unpredictable international trade risks, proactively introducing a fully validated, high-performance domestic alternative not only resolves immediate delivery crises but also enhances the resilience of your product's supply chain and its long-term market competitiveness.
As the "eyes" of the microscopic world, particle counters play a vital role in modern industrial production and scientific research. With continuously rising global demands for product quality, production environments, and public health, the particle counter market will continue to grow. Technologically, the trend is moving towards higher precision, greater intelligence, enhanced portability, and better connectivity (IoT). When selecting a particle counter, users should carefully consider their specific application needs, budget, and data compliance requirements to make the most suitable choice among domestic and international brands.
Furthermore, selecting an excellent blower is crucial for providing superior and stable performance in a particle counter. The BA8050 is precisely one of the best solutions for enabling high-performance, high-stability, and cost-effective particle counters for your needs.