Home appliance applications
Protect Your networking Systems from Overheat Problem with Our Wide Range & High-Performance DC Fans for Server, Switch & Telecom Power Supply, ect, Which Have Passed 10 Reliability Tests.
Voltage 12V
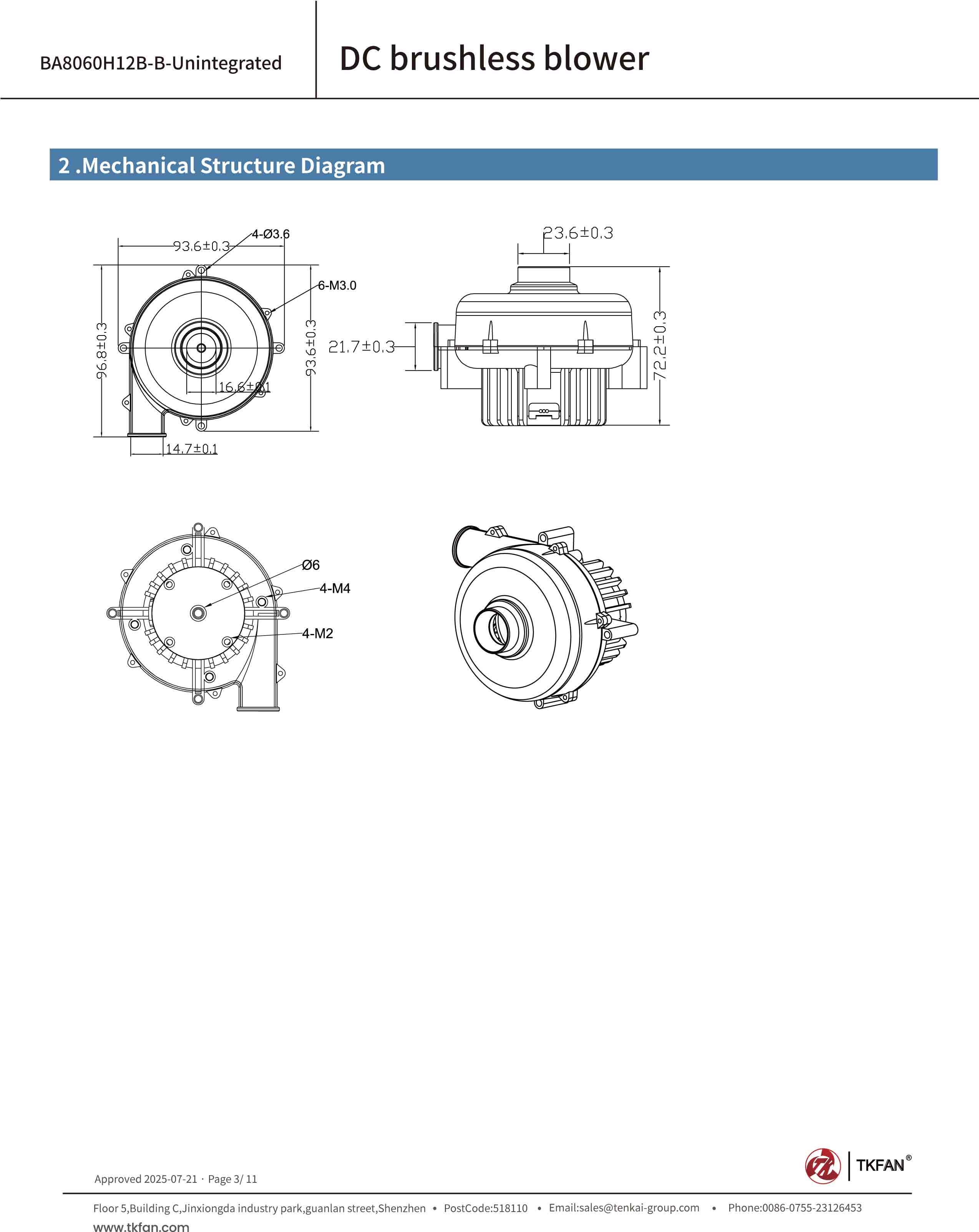
96.8*93.6*72.2mm
43000rpm/min
BA8060H12B-B-Unintegrated Air Blower
The BA8060H12B-B-Unintegrated adopts an unintegrated design, separating the blower from the drive control board, allowing flexible matching with various types of control systems to meet personalized customization needs of different industrial equipment.
Powered by 12V DC, this blower features high energy efficiency and low power consumption, ensuring stable airflow output while reducing energy costs, suitable for long-term continuous operation in industrial scenarios.
Made of high-quality industrial-grade materials and precision-machined components, it has excellent wear resistance and stability, capable of withstanding harsh working conditions and maintaining reliable performance for a long service cycle.
Equipped with an optimized aerodynamic impeller and air duct design, it delivers consistent airflow and high static pressure, perfectly meeting the ventilation, cooling and air supply requirements of industrial equipment.






Protect Your networking Systems from Overheat Problem with Our Wide Range & High-Performance DC Fans for Server, Switch & Telecom Power Supply, ect, Which Have Passed 10 Reliability Tests.
Optimize Your Automotive Systems Performance with Our Full Range of DC Fans for Headlights, Cold Air Seat, Air Purifier & Entertainment Systems - Qualified Fan Vendor by Philips & Osram.
We can customize voltage (5V/12V), wire length, and connectors. Prototypes ready in 48 hours.